- Home /
- Rohrventilator VR-1 Nennweite 100 bis 355
Artikelbeschreibung
Zusatzinformation
Radialer Rohrventilator VR-1
Der Radialrohrventilator VR-1 ist eine vielseitige Lösung für mechanische Belüftungssysteme in Büros, Gewerberäumen, Gastronomiebereichen und industriellen Werkstätten. Das robuste Gehäuse aus verzinktem Stahlblech sorgt für Langlebigkeit und hohe Beständigkeit. Dank rückwärts gekrümmter Schaufelräder wird eine maximale Luftförderleistung bei minimalem Geräuschpegel und hohem statischen Druck erreicht.
Technische Spezifikationen
- Isolationsklasse: B oder F
- Maximale Betriebstemperatur: +40 °C
- Minimale Betriebstemperatur: -20 °C
- Schutzklasse: IP55
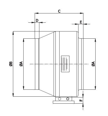
Abmessungen
| Modell | ØA (mm) | ØB (mm) | C1 (mm) | C2 (mm) | D (mm) | E (mm) | F (mm) |
|---|---|---|---|---|---|---|---|
| VR-100 | 237 | 98 | 26 | 22 | 218 | 276 | 170 |
| VR-125 | 237 | 123 | 26 | 20 | 203 | 276 | 170 |
| VR-150 | 272 | 147 | 23 | 25 | 192 | 286 | 295 |
| VR-200 | 330 | 196 | 30 | 28 | 230 | 380 | 352 |
| VR-250 | 342 | 248 | 30 | 30 | 227 | 380 | 170 |
| VR-315 | 397 | 311 | 26 | 26 | 220 | 437 | 170 |
| VR-355 | 400 | 352 | 30 | 30 | 378 | 415 | 422 |
Technische Spezifikationen
| Modell | Spannung (V) | Frequenz (Hz) | Max. Leistungsaufnahme (W) | Nennstrom (A) | Drehzahl (U/min) | Luftleistung (m³/h) | Schallpegel (dB(A)) | Isolationsklasse | Schutzart (IP) | Gewicht (kg) |
|---|---|---|---|---|---|---|---|---|---|---|
| VR-100 | 230 | 50/60 | 68 | 0,28 | 2400 | 400 | 42 | H | 44 | 2,6 |
| VR-125 | 230 | 50/60 | 76 | 0,29 | 2350 | 500 | 43 | H | 44 | 2,7 |
| VR-150 | 230 | 50/60 | 80 | 0,4 | 2450 | 422 | 46 | B | 44 | 3,0 |
| VR-160 | 230 | 50/60 | 90 | 0,4 | 2550 | 440 | 45 | B | 44 | 3,2 |
| VR-200 | 230 | 50/60 | 90 | 0,43 | 2300 | 735 | 46 | B | 44 | 4,4 |
| VR-250 | 230 | 50/60 | 150 | 0,66 | 2600 | 1200 | 57 | F | 44 | 5,5 |
| VR-315 | 230 | 50/60 | 187 | 0,83 | 2500 | 1900 | 68 | F | 44 | 6,9 |
| VR-355 | 230 | 50/60 | 160 | 1,00 | 1450 | 1300 | 66 | F | 44 | 9,0 |
| Lieferzeit | Sofort versandfertig, Lieferzeit ca. 1-3 Werktage |
|---|
Filtern nach
Filter
- On Sale Filter
Kategorien
- Home
- Neuheiten
-
Mauerkasten Dunstabzug oder Klimaanlage
- Mauerkästen mit 2 Grad Gefälle für sicheren Kondensatablauf
- Mauerkasten mit Rückstauklappe
- Mauerkasten mit Blower Door Zertifikat
- Mauerkasten ohne Rückstauklappe
- Mauerkasten mit Flachkanal Set
- Mauerkasten Edelstahl komplett
- Mauerkasten mit Rohr Set
- Mauerkasten Zuluft Abluft Klimagerät oder für Küche oder Heizung
- Mauerkasten mit Ventilator
- FAQ zu Kernbohrung und Einbau von Mauerkästen
- Flachkanal, Rohr Kunststoff, Wickelfalzrohr und Formteile, Alu Flex Rohr
- Wetterschutzgitter, Kiemenbleche
- Blauberg / Vents Zentrale Wohnraumlüftung
- Absperrklappen Bypassklappen, Rückstauklappe, Volumenstromregler
- Klappen Stellantriebe, Stellmotor
- Sole EWT / Luft Erdwärmetauscher
- Luftwäscher Zubehör
- U und L Edelstahl Schacht Verkleidung
- Ventilatoren
- Schalldämpfer
- Montagematerial
- IsoPipe Rohre, Bögen und Muffen
- Schornsteinverlängerung mit Haube
- Luftauslässe
- Filter
- Kernbohrungen Hamburg, Geräte Verleih
-
Sommerventilatoren
- Tischventilatoren
-
Standventilatoren
- Airos Eco Silent - für Gewerbeeinsatz
- AIROS ECO SV35
- Gordon - für Gewerbeeinsatz
- Greyhound SV SL - für Gewerbeeinsatz
- GREHYOUND SV45-8 - für Gewerbeeinsatz
- Retro-Airstyle
- Satin Metal Breeze II - für Gewerbeeinsatz
- Speed2Protect IP54 SL - für Gewerbeeinsatz
- Speed2Stand - für Gewerbeeinsatz
- WM2 Stand Eco - für Gewerbeeinsatz
- WM3 Stand Eco
- WM3 Eco Stand IP44 SL - für Gewerbeeinsatz
- Towerventilatoren
- Bodenventilatoren
- Wandventilatoren
-
Windmaschinen
- DF600 Eco IP54 SL - für Gewerbeeinsatz
- DF800 Eco IP54 SL - für Gewerbeeinsatz
- Airos Eco Silent - für Gewerbeeinsatz
- Speed G-CH - für Gewerbeeinsatz
- WM2 Stand Eco - für Gewerbeeinsatz
- WM2 Wall Eco - für Gewerbeeinsatz
- WM3 Stand Eco
- WM3 Eco Stand IP44 SL - für Gewerbeeinsatz
- WM3 Eco Wall IP44 SL - für Gewerbeeinsatz
- Speed2Stand - für Gewerbeeinsatz
- Speed2Protect IP54 SL - für Gewerbeeinsatz
- Industrieventilatoren
- Restposten & B Ware


